High-quality, high-performance steel eccentric reducers and steel concentric reducers in a range of shapes and dimensions are produced by Trimac Piping Solutions, a reputable manufacturer, exporter, and supplier in these fields. Our goods are produced by ASTM, ASME, DIN, and other international standards as well as the specific needs of our clients. ANSI B16.9 Reducers exhibit adequate resistance to several oxidizing conditions as well as excellent resistance to chloride-ion stress-corrosion cracking.
Our regular production and stock items include stainless steel reducers, carbon steel reducers, alloy steel reducers, and duplex steel reducers. A steel pipe reducer is one of the most commonly used industrial pipe fittings, which helps to connect two pipes or tubes of different diameters. These are mainly used to adapt different pipe sizes in a pipeline system. ANSI B16.9 Pipe reducers can mainly be categorized into two types – concentric reducer and eccentric reducer, are very much resistant to oxidation and chemical corrosion and has low creep rates under high stresses at temperatures as well as some high stress-rupture effectiveness, and after suitable heat treatment.

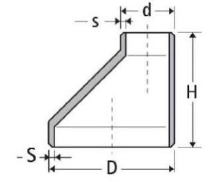
Concentric reducers from Trimac join tubes and pipes on the same axis. This kind of reducer provides a conical passageway in-line between pressured pipes of various dimensions. A pipe reducer is offered in a variety of specifications, including both single and multiple diameter changes. Despite how the pipe reducer’s external arrangement makes it appear, the internal width conical transition arrangement changes the flow of the pipe. It can be externally rearranged and moved axially to provide more effective reducer connections.
Size : 1/2″NB TO 36 “NB IN IN Schedule Schedule 5S, 10S, 20S, S10, S20, S30, STD, 40S, S40, S60, XS, 80S, S80, S100, S120, S140, S160, XXS and etc. Type : Concentric Reducers,

ASTM / ASME SB 336 UNS 2200 ( NICKEL 200 ), UNS 2201 (NICKEL 201 ), UNS 4400 (MONEL 400 ), UNS 8020 ( ALLOY 20 / 20 CB 3, UNS 8825 INCONEL (825), UNS 6600 (INCONEL 600 ), UNS 6601 ( INCONEL 601 ), UNS 6625 (INCONEL 625), UNS 10276 ( HASTELLOY C 276 )
ASTM A403 WP Gr. 304, 304H, 309, 310, 316, 316L, 317L, 321, 347, 904L.
ASTM A 815, ASME SA 815 UNS NO S31803, S32205. Werkstoff No. 1.4462
ASTM A 234 WPB , WPBW, WPHY 42, WPHY 46, WPHY 52, WPH 60, WPHY 65 & WPHY 70.
ASTM / ASME A/SA 234 Gr. WP 1, WP 5, WP 9, WP 11, WP 12, WP 22, WP 911/2″NB TO 36 “NB IN

One of the pipe fittings used to join two pipes with different diameters is the pipe reducer. A pipe reducer is used to alter the flow rate of fluids. Reducers are typically created using reduction pressing, expanding pressing, or a combination of reducing and expanding pressing. For reducers with specific requirements, we can also use stamping procedures. Eccentric and Concentric Reducers are the two different types of reducers. According to the requirements of their applications and industries, pipe reducers are widely available in a variety of materials and also come in a variety of sizes.
Size : 1/2″NB TO 48″NB IN Schedule: Schedule 5S, 10S, 20S, S10, S20, S30, STD, 40S, S40, S60, XS, 80S, S80, S100, S120, S140, S160, XXS and etc. Type : Eccentric Reducers

ASTM / ASME SB 336 UNS 2200 ( NICKEL 200 ), UNS 2201 (NICKEL 201 ), UNS 4400 (MONEL 400 ), UNS 8020 ( ALLOY 20 / 20 CB 3, UNS 8825 INCONEL (825), UNS 6600 (INCONEL 600 ), UNS 6601 ( INCONEL 601 ), UNS 6625 (INCONEL 625), UNS 10276 ( HASTELLOY C 276 )
ASTM / ASME SA 403 GR WP “S” / “W” / ” WX” 304 , 304L, 304H, 304N, 304LN, 309, 310H, 316, 316H, 317, 317L, 321, 321H, 347, 347 H.
ASTM / ASME SA 815 UNS NO.S 31803, S 32205, S 32550, S 32750, S 32760.
ASTM / ASME A 234 WPB, WPC ASTM / ASME A 860 WPHY 42, WPHY 46, WPHY 52, WPH 60, WPHY 65 & WPHY 70.
ASTM / ASME A 234 WP 1, WP 5, WP 9, WP 11, WP 12, WP 22, WP 23, WP 91
About Us
Our fittings ensure that the pipeline lifelines of our industries are always perfectly suited. We at Trimac Piping Solutions consistently endeavor to manufacture fittings and flanges that are exceptional in quality, rich in material composition and made to perfection to endure forever.
Ground Floor, 192/4, Pavapuri Apartment, 9th Khetwadi Ln, near Reliance Hospital, Mumbai, Maharashtra 400004
+91 22 67496206
+91 8779185600 | +91 9833359757
© Copyright 2026 Trimac Piping Solutions